芯城品牌采购网 > 品牌资讯 > 全部资讯

小米芯片布局再进一步!-芯城品牌采购网

据天眼查信息,近日,合肥辉羲智能科技有限公司(以下简称“辉羲智能”)发生工商变更,新增小米关联公司瀚星创业投资有限公司等为股东。图片来源:天眼查信息截图辉羲智能经营范围包括人工智能基础软件开发;人工智能应用软件开发;人工智能基础资源与技术平台;人工智能行业应用系统集成服务;人工智能理论与算法软件开发;人工智能硬件销售;集成电路芯片设计及服务;技术进出口;货物进出口;集成电路芯片及产品销售等。此前1

芯城品牌采购网

23383

美国当地时间12月6日,台积电宣布其美国亚利桑那州晶圆厂开始兴建第二期工程,预计于2026年开始生产3纳米制程技术,该厂目前兴建中的第一期工程预计于2024年开始生产N4制程技术,两期工程总投资金额约为400亿美元,台积电称,公司在亚利桑那州的投资从此前的120亿美元提高到400亿美元,是公司在海外最大的一笔投资,也是亚利桑那州迄今为止获得的最大一笔投资。除了一万多名协助兴建厂房的营建人员之外,台

芯城品牌采购网

26865

MOS管驱动电路有几种,看完就明白了-芯城品牌采购网

MOS管因为其导通内阻低,开关速度快,因此被广泛应用在开关电源上。而用好一个MOS管,其驱动电路的设计就很关键。下面分享几种常用的驱动电路。1、电源IC直接驱动电源IC直接驱动是最简单的驱动方式,应该注意几个参数以及这些参数的影响。①查看电源IC手册的最大驱动峰值电流,因为不同芯片,驱动能力很多时候是不一样的。②了解MOS管的寄生电容,如图C1、C2的值,这个寄生电容越小越好。如果C1、C2的值比

芯城品牌采购网

24268

交流耦合TIA拒绝明亮的环境光源-芯城品牌采购网

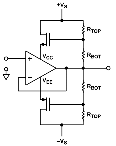
由于其简单性和低成本,绿色LED照明的心跳传感器现在几乎无处不在,在大多数消费者健康产品以及许多手机和手表中都能找到。但是,尽管它们具有所有优势,但我观察到它们经常受到环境因素的影响,这些因素会降低它们的准确性,在某些情况下,它们甚至根本无法进行测量。这些因素包括对手指放置的敏感性、LED光源与传感器之间距离的变化以及环境光侵入。这促使我考虑制造一个交流耦合跨阻放大器(TIA),它对明亮的环境光(

芯城品牌采购网

26597

据通富微电官微消息,11月30日,南通通富微电子有限公司三期工程封顶仪式在苏锡通园区通富微电厂区举行。通富微电三期工程总投资9.64亿元,位于苏锡通园区,此次三期工程一次性开工建设10万多平方米。项目采用集成电路封装、测试等具有自主知识产权的新技术、新工艺,建成后将形成年封装测试5G等新一代通信用集成电路产品2.8亿块的生产能力。资料显示,南通通富是通富微电集团在苏锡通园区布局的高端先进封装测试基

芯城品牌采购网

24589

图文并茂详解共模电感-芯城品牌采购网

差模电流:在一对差分信号线上,大小相同,方向相反的一对信号,一般是电路中的工作电流,对于信号线就是信号线与信号地线之间流动的电流。共模电流:在一对差分信号线上,大小相同,方向相同的一对信号(或噪音)。在电路中,一般对地噪音一般都是以共模电流的方式传输的,所以又称为共模噪声。抑制共模噪声的方法多种多样,除了从源头去减少共模噪声外,通常我们抑制最常用的方法就是使用共模电感来滤除共模噪声,也就是将共模噪

芯城品牌采购网

24051

A/D转换器所需的PCB布线策略-芯城品牌采购网

模数(A/D)转换器起源于模拟范例,其中物理硅的大部分是模拟。随着新的设计拓扑学发展,此范例演变为,在低速A/D转换器中数字占主要部分。尽管A/D转换器片内由模拟占主导转变为由数字占主导,PCB的布线准则却没有改变。当布线设计人员设计混合信号电路时,为实现有效布线,仍需要关键的布线知识。本文将以逐次逼近型A/D转换器和∑-△型A/D转换器为例,探讨A/D转换器所需的PCB布线策略。图1.12位CM

芯城品牌采购网

27412

开关电源噪声对策的几个步骤-芯城品牌采购网

从本文开始进入新篇章“噪声对策”。这里所说的“噪声对策”是指针对“开关电源”噪声的对策。不过基础部分和思路与一般噪声是相通的。新篇章的第1篇将介绍“噪声对策的步骤”。噪声对策和产品开发阶段在介绍噪声对策步骤之前,先来了解一下从产品的设计/开发到量产的过程中,应该在哪些阶段采取噪声对策。右图是相对于设计/开发、评估、量产的时间轴,采取噪声对策的灵活性(即可以采取的对策的选项多少)以及对策所需成本的示

芯城品牌采购网

24980

11月25日,英飞凌和台积电宣布,两家公司正准备将台积电的电阻式RAM(RRAM)非易失性存储器(NVM)技术引入英飞凌的下一代AURIX™微控制器(MCU),并将在台积电的28纳米节点上制造。自第一个发动机管理系统问世以来,嵌入式闪存微控制器一直是汽车电子控制单元(ECU)的主要构建块。目前,市场上大多数MCU系列都基于嵌入式闪存技术(eFlash)技术。而RRAM是嵌入式存储器的下一步,可以进

芯城品牌采购网

28784

芝奇DDR5-80002x16GB极速内存套装已上市开卖-芯城品牌采购网

2022年12月1日–世界知名超频内存及高端电竞设备领导品牌,芝奇国际荣幸宣布,已成功将日前展示的超高速DDR5-8000超频内存套装导入市售规格,并已陆续出货至全球各大经销商并完成上架,率先将DDR5市售规格带入8000MT/s的全新里程碑,此次上市推出的DDR5-8000CL38-48-48-1282x16GB极速规格套装,皆由严选的DDR5IC颗粒打造,并将加入芝奇TridentZ5RGB幻

芯城品牌采购网

27401

存储器的发展取决于应用场景的变化,当下智能化时代的迅速发展对存储器提出了更高的要求,新型存储器迅速成长。目前新型存储器阻变存储器(ResistiveRandomAccessMemory,ReRAM或RRAM)逐渐受到市场重视。近日,英飞凌官方消息称,其下一代Aurix微控制器将使用嵌入式非易失性存储器,特别是电阻式随机存取存储器(RRAM),而不是嵌入式闪存(eFlash),并将在台积电的28纳米

芯城品牌采购网

27575

据江都经济开发区消息,11月30日,百识电子项目签约仪式在扬州市江都区政府会议中心举行。百识电子项目由南京百识电子科技有限公司(以下简称“百识电子”)投资建设,总投资10亿元,生产第三代半导体外延片,产品主要用于5G基站、电动车、雷达、快速充电器等。项目计划分两期建设,一期投资约6亿元,建成达产后,预计年开票销售8.5亿元。资料显示,百识电子成立于2019年8月,专门生产碳化硅及氮化镓相关外延片,

芯城品牌采购网

23666

美国时间12月1日,全球第三大硅晶圆制造商环球晶圆(GlobalWafers)在美国德州谢尔曼市举行12英寸晶圆厂GlobalWafersAmerica动土典礼,这也是时隔20年后,美国迎来的首座硅晶圆厂。环球晶圆强调,美国德州新硅晶圆厂预计两年内可陆续完成新厂建造、设备安装、客户送样及量产。德州新硅晶圆厂占地58公顷,预计可为未来阶段式扩建提供充足的空间。根据此前的资料,环球晶圆新12英寸硅晶圆

芯城品牌采购网

26940

近日,辽宁省人民政府办公厅印发《辽宁省培育壮大集成电路装备产业集群若干措施》(以下简称“《措施》”),对集成电路产业给予奖励,以进一步加快推进辽宁省集成电路装备产业发展,培育壮大集成电路装备整机和关键零部件产业。其中,《措施》指出,要支持企业做大规模。对上年度营业收入首次突破1亿元、5亿元、10亿元、20亿元、30亿元、50亿元的企业,分别给予200万元、500万元、1000万元、2000万元、3

芯城品牌采购网

23937

STM32单片机的启动过程-芯城品牌采购网

分享这篇文章,谈一下STM32启动流程。如果读者朋友已经有过汇编相关基础,能够够好理解本文内容。汇编语言是比C语言更接近机器底层的编程语言,能让我们更好的理解和操纵硬件底层。STM32三种启动模式下好程序后,重启芯片时,SYSCLK的第4个上升沿,BOOT引脚的值将被锁存,这就是所谓的启动过程。STM32上电或者复位后,代码区始终从0x00000000开始,其实就是将存储空间的地址映射到0x000

芯城品牌采购网

24820

据常山发布消息,11月30日,浙江大和半导体产业园三期项目正式封顶。消息显示,浙江大和半导体产业园三期项目自今年7月21日开工奠基以来,历时仅四个多月就完成了工程封顶。该项目计划总投资约20亿元,由浙江盾源聚芯半导体科技有限公司高纯硅部件项目、浙江富乐德半导体材料科技有限公司氧化铝项目、浙江富乐德半导体材料科技有限公司CVD-SIC项目等三个子项目组成。据了解,项目计划明年5月竣工,全面投产后,第

芯城品牌采购网

20527

分频器产生的455kHz方波信号-芯城品牌采购网

这里的电路是我在开发RF系统时设计的带有不寻常分频器的振荡器。我需要使用尽可能少的组件的稳定且准确的455kHz数字信号发生器。信号发生器还必须具有或非常接近50%的占空比,以消除或小化二次谐波含量。我首先研究了基于455kHz陶瓷谐振器和455kHz陶瓷滤波器的振荡器。然而,在测试时,我获得了448kHz和462kHz的信号,这缺乏我需要的。但我手头有一个4.096MHz的石英晶体。通过使其以大

芯城品牌采购网

24029

基于MPC8245处理器和BCM56500芯片实现交换型路由器的设计-芯城品牌采购网

随着用户需求和网络技术的发展,高速率高端口密度的多层IP路由交换功能的应用已经越来越广泛了。由于实现三层以上路由功能的判据较为复杂,传统的路由器采用软件实现路由功能,由高性能的CPU同时实现控制平台和数据通道。自从三层交换的概念提出以来,主要的技术可以分为两类:路由型交换机和交换型路由器。路由型交换机通过各种技术来发现、建立和缓存路由捷径来实现路由加速功能。一般情况下路由型交换机不实现大型动态路由

芯城品牌采购网

26500

基于EPM7256AETC100-5实现CDMA2000BTS时钟同步的应用解决方案-芯城品牌采购网

1引言第三代移动通信体制(3G),能够提供从语音到数据的全方位业务[1,2]。CDMA2000的3G通信网络主要由核心网(CN),CDMA2000基站控制器(BSC)和基站收发系统(BTS)构成。一个BSC可以带若干基站,每个BTS可以带若干扇区载频,BTS通过Abis接口与BSC相连,BSC通过A1,A2,A5接口与移动交换中心(MSC)相连,而BSC与BSC之间采用A3、A7接口,BSC和BT

芯城品牌采购网

24839

基于NCL35076或NCL30076的高能效、高精度、高可靠性的可调光LED照明降压方案-芯城品牌采购网

本文主要介绍安森美(onsemi)的基于连续导通模式(CCM)DC-DC降压控制器的75W方案和基于NCL30076准谐振(QR)降压控制器的100W及240W方案。两款方案的典型应用是LED照明系统、模拟/PWM可调光LED驱动器,模拟调光范围宽,从1%到100%。安森美专有的LED电流计算技术和内部检测及反馈放大器的零输入电压偏移,在整个模拟调光范围内进行精确的稳流,稳流精度在满载时<±

芯城品牌采购网

27114

数字磁性霍尔效应传感器工作原理及应用领域分析-芯城品牌采购网

数字磁传感器是一种这样的设备,其中,由于存在外部磁场,输出开关会在ON和OFF状态之间切换。这种类型的基础上的物理原理的装置的霍尔效应,被广泛地用作接近,定位,速度和电流检测传感器。与机械开关不同,它们是一种持久的解决方案,因为它们没有机械磨损,即使在特别关键的环境条件下也可以工作。由于具有非接触式操作,无需维护,坚固耐用以及对振动,灰尘和液体具有免疫力等特性,数字磁传感器正变得越来越普遍,尤其是

芯城品牌采购网

25354

传闻AMD发涨价信,涨幅高达25%!-芯城品牌采购网

1、供应链称AMD已通知涨价11月22日,行业消息传出,AMD向经销商发出涨价函。来源:供应链从文件内容来看,AMD在通知中表示,由于供应链投资成本增加,供应商正在向AMD转嫁更高的价格水平。据AMD称,Xilinx系列产品价格将上涨8%,Spartan6系列产品价格将上涨25%,Versal系列产品价格保持不变。自2023年1月9日起,新订单、库存、积压订单和分销订单都将以上涨后的价格交易。2、

芯城品牌采购网

25562

ISP(图像信号处理)算法概述、工作原理、架构、处理流程-芯城品牌采购网

ISP是ImageSignalProcessor的简称,也就是图像信号处理器。DSP是DigitalSignalProcessor的缩写,也就是数字信号处理器。ISP一般用来处理ImageSensor(图像传感器)的输出数据,如做AEC(自动曝光控制)、AGC(自动增益控制)、AWB(自动白平衡)、色彩校正、LensShading、Gamma校正、祛除坏点、AutoBlackLevel、AutoW

芯城品牌采购网

27550

RFID电感耦合方式的射频前端工作原理-芯城品牌采购网

IoT的技术之一就是RFID,对于RFID的组件RFID读写器和电子标签的工作原理,你了解嘛?其实RFID的两种组件是通过天线进行通信,采用电感耦合的方式进行,接下来我们一起看一看关于RFID电感耦合方式的射频前端工作原理!总结要点(1)了解线圈的电感和互感的概念。(2)了解串并联谐振电路的概念。(3)RFID读写器的射频前端采用串联谐振电路。(4)RFID电子标签的射频前端采用并联谐振电路。(5

芯城品牌采购网

27667

多节超级电容的升降压充电方案-芯城品牌采购网

由于其充电次数,更好的瞬态性能,更简单的充电管理以及更少的环境污染,在很多应用中越来越受欢迎。多个电容单体(2.7V)串联往往需要buck-boost充电拓扑来实现电源的充电管理。是一种集快速充电、电源路径管理、保护功能于一体的单芯片方案。本文讨论了在实际应用中的一些注意事项。1.典型充电电路和充电曲线:2.加速充电过程与锂电池的预充电过程不同,超级电容可以直接快速充电,从而减少充电时间,可以采取

芯城品牌采购网

24907

RS485接口6KV防雷电路设计方案-芯城品牌采购网

一.原理图1.RS485接口6KV防雷电路设计方案接口电路设计概述:RS485用于设备与计算机或其它设备之间通讯,在产品应用中其走线多与电源、功率信号等混合在一起,存在EMC隐患。本方案从EMC原理上,进行了相关的抑制干扰和抗敏感度的设计,从设计层次解决EMC问题。电路EMC设计说明:(1)电路滤波设计要点:L1为共模电感,共模电感能够对衰减共模干扰,对单板内部的干扰以及外部的干扰都能抑制,能提高

芯城品牌采购网

25914

用于放大小信号或切换较小电流的低功率器件-芯城品牌采购网

如果我们需要切换更大的电流,那么我们将需要使用更大的晶体管,这意味着物理上更大的封装,可以更轻松地散热。讨论双极结型(BJT)时的重点是用于放大小信号或切换较小电流的低功率器件,但是如果要切换较大电流该怎么办?毕竟,我们可能要对微处理器进行的操作之一是使用输出来运行直流电动机或激活螺线管。我们上次讨论的仅限于200mA集电极电流。不需要太多的电动机或螺线管即可。晶体管电路打开螺线管(模型在LTsp

芯城品牌采购网

27209

OMAP嵌入式处理器OMAP5910的基本特性及应用分析-芯城品牌采购网

OMAP(OpenMultimediaApplicationsPlatform)是美国德州仪器公司(TI)推出的专门为支持第三代(3G)无线终端应用而设计的应用处理器体系结构。OMAP处理器平台堪称无线技术发展的里程碑,它提供了语音、数据和多媒体所需的带宽和功能,可以极低的功耗为高端3G无线设备提供极佳的性能。OMAP嵌入式处理器系列包括应用处理器及集成的基带应用处理器,目前已广泛应用于PDA、W

芯城品牌采购网

25123

压电陶瓷放大器如何驱动压电换能器?-芯城品牌采购网

相信平常关注压电陶瓷放大器的小伙伴,对于有关压电陶瓷放大器如何驱动压电换能器,今天小编就给大家分享一个纯干货,压电陶瓷放大器如何驱动压电换能器,话不多说,快和小编一起继续往下看吧!换能器指的是能够实现能量转换的器件,即可以将一种形式的能量转换为另一种形式的能量的装置。超声换能器即是在超声频率内将交变的电信号经过压电陶瓷功率放大器放大转换成声信号或者将外界的声信号转换为电信号的能量转换器件。其中,用

芯城品牌采购网

27120

开关稳压器硬件测试的一些重要细节-芯城品牌采购网

电路设计人员在决定使用某个特定电源之前,首先会对它进行仔细测试。IC的数据手册提供了整个电源在实际应用中如何运行,以及如何通过实验室测试来获得相应特性的有价值信息。电路仿真(例如LTspice?)很有用,可以帮助优化电路。但是,仿真并不能代替。就此而言,寄生参数要么难以估计,要么难以仿真。因此,电源要在实验室中进行彻底测试。用于测试的可以是内部开发的原型,大多数情况下则是使用相应制造商的现有评估板

芯城品牌采购网

26618

基于微处理器LPC2131和GSM模块实现无线测控系统的设计-芯城品牌采购网

1引言随着嵌入式计算机技术、通信技术的发展,人们对无线测控技术的要求也在不断提高,测控技术也依托于强大的网络通信技术的发展而应用列各行各业。传统的数字调制系统编解码技术(如FSK,ASK,PSK,DPSK等)已经非常成熟,各种编码、解码技术已广泛应用与各种电子产品中,而日.通信过程中抗干扰能力强,准确度高。近几年随着移动通信网络技术日益强大,手机短消息业务得到了飞速发展,并且手机短信业务的成本也在

芯城品牌采购网

29542

基于无线调制解调芯片MX919芯片实现高速无线MODEM的方案设计-芯城品牌采购网

无线通信已经广泛应用于移动通信、车辆调度指挥和空中交通管制系统。我国目前广泛应用的VHF/UHF电台多为模拟语音电台,且以短波、超短波话音通信为主,因此直接进行数据传输的能力很低,不能适应当前数据传输的数字化需要;虽然可以设计数传电台来完成数据传输,但如此便不能充分利用现有的VHF/UHF模拟电台,从而导致浪费,而且专门重新设计数传电台,有设计周期长和费用高等弊病。本文提出一种利用MX919芯片设

芯城品牌采购网

27586

基于MAX9814驻极体麦克风放大器的音频包络生成电路-芯城品牌采购网

振荡信号的“包络”是一条平滑的曲线,概述了其极端情况。我们可以使用这样的包络来帮助我们控制音频反应产物。您可能还记得我以前与MEGEQ7相关的专栏文章“与MSGEQ7一起使用的最佳MEMS麦克风”,我们把事情留在了悬崖峭壁上。我们的想法是,我们要创建动态范围大的音频无反应的工件。让我们假设工件的输出包括闪烁的三色LED(在我的项目中,这是一个相当安全的假设)。如果环境安静,那么理想情况下,只需在房

芯城品牌采购网

26567

红外线接收头的引脚功能判断-芯城品牌采购网

平时,在维修中遇到红外线接收头损坏均找同型号的接收头进行代换,由于电视机品牌众多,接收头也各式各样,这给代换中带来了不便。可否有一种通用型接收头呢?答案肯定,有现在市场上流行一种万能接收头,类似于如图1所示。只要我们能正确判断出其引脚功能就可方便用于各种代换。判断引脚简法:用万用表R×1kΩ档,先假定任一引脚为接地脚,黑表笔接假定地脚,红表笔分别测量另外两个引脚,这时测得电阻如果在5~6kΩ左右,

芯城品牌采购网

23881

所有电容器的性能、储存寿命和使用寿命很大程度取决于他们所在的环境条件。不仅要考虑单一环境因素对的关系,而且必须要考虑这些环境因素不同组合的效应。影响电容器性能和寿命的主要环境因素是:环境温度、湿度、振动、冲击、加速度及大气压力等.对这些单一的环境因素影响扼要讨论如下。一.环境温度1.高温电容器周围的高工作环境温度对其应用是至关重要的,温度上升使一切化学、电化学反应加速,介质材料易老化,电容器的使用

芯城品牌采购网

23413

电压、电流和电阻之间的关系(阻抗)和欧姆定律-芯城品牌采购网

电压、电流和电阻之间的关系(阻抗)由欧姆定律确定。理论上,无论电压有多小,都可以得到很大的电流(因为根据欧姆定律,电压除以电阻等于电流)。这取决于你是否有这么小的电阻,例如一伏的电压和10000安培的电流,根据欧姆定律,1÷10000=0.0001欧姆,如果电阻等于0.0001欧姆,在1伏电压的作用下可以获得10000安培的电流,如果我们的材料是一米长的电解铜,横截面积非常大,电解铜的电阻率为0.

芯城品牌采购网

28385

GESD0504T5L-5V四通道ESD防护器件&GESD0505T5L-5V五通道ESD防护器件-芯城品牌采购网

1、产品介绍GESD0504T5L是一款5V超低电容四通道ESD防护器件,GESD0505T5L是一款5V超低电容五通道ESD防护器件,该系列ESD防护器件旨在保护高速数据接口,专门设计用于保护连接到高速数据和传输线的敏感组件,使其免受ESD(静电放电)、CDE(电缆放电事件)和EFT(电快速瞬变)引起的过电压的影响。2、产品特点GESD0504T5L内含四条通道,每条通道对地电容均不高于0.8p

芯城品牌采购网

24494

芯片半导体元件产品的分类和应用邻域-芯城品牌采购网

芯片是半导体元件产品的统称。是集成电路的载体,由晶圆分割而成。一般来说,芯片有多重分类方法,可以根据晶体管工作方式分、根据工艺分、根据规模分、根据功率分、依据封装分、根据使用环境分。芯片应用十分广泛,除了手机、电脑之外,还有人脑芯片、生物芯片等。下面一起来看看详细介绍。IC芯片如何分类1、根据晶体管工作方式分数字芯片和模拟芯片,数字芯片主要用于计算机和逻辑控制领域,模拟电路主要用于小信号放大处理领

芯城品牌采购网

26214

无线电池充电器使用感性耦合的解决方案-芯城品牌采购网

电池在日常设备中的使用越来越普遍。在许多日常产品中,很难或无法使用充电连接器。例如,有些产品需要密封外壳,以保护敏感电子产品免受恶劣环境的影响,并方便清洁或消毒。其他产品可能太小,无法提供连接器,而在电池供电应用(包含移动或旋转部件)产品中,则无法通过连接线充电。在这些及其他应用中,无线充电能够带来更多增值,性能可靠鲁棒。无线供电有很多种方式。通常在不到几英寸的距离采用容性或感性耦合方式。本文讨论

芯城品牌采购网

27367

沉金PCB焊盘不润湿问题分析-芯城品牌采购网

随着无铅化产业的推进,沉金工艺作为无铅适应性的一种表面处理已经成为无铅表面处理的主流工艺。沉金也叫无电镍金、沉镍浸金或化金,是一种在印制线路板(PCB)裸铜表面涂覆可焊性涂层的工艺,其集焊接、接触导通、打线和散热等功能于一身,满足了日益复杂的PCB组装焊接要求,受到PCBA(printedcircuitboardassembly,即PCB组装)客户的广泛亲睐。但随着无铅焊接峰值温度的提高,使焊接工

芯城品牌采购网

27814

共模和差模噪声还分不清楚?-芯城品牌采购网

开关稳压器的EMI分为电磁辐射和传导发射。本文重点介绍传导发射,传导发射可以进一步分为两类:共模(CM)噪声和差模(DM)噪声。为什么要区分CM-DM。对共模噪声有效的EMI抑制技术不一定对DM噪声有效,反之亦然,因此识别传导发射源可以节省用于噪声抑制的时间和成本。本文提出了一种实用的方法,用于分离CM和DM排放的LTC7818控制的开关稳压器。了解CM噪声和DM噪声在CE频谱中的位置,电源设计人

芯城品牌采购网

25551

五家代工厂商三季报汇总-芯城品牌采购网

截至目前,国内2021年第三季度营收位列全球前十的晶圆代工厂相继发布了2022年第三季度财报。与往年同期相比,台积电、联电、中芯国际、华虹Semiconductor和WorldAdvanced都出现了不同程度的收入增长。下面我们就来看看上述三季度晶圆代工厂商的营收表现及其原因。——台积电——台积电第三季度实现营收6131.4亿元新台币(约合人民币1390亿元),同比增长47.9%;净利润为新台币2

芯城品牌采购网

22565